南方离心泵

应用领域:
空调系统、冷却系统、工业清洗、水处理(水的净化)、水产养殖、施肥/计量系统、环境应用、供水和增压
材质:
铸铁或304/316L材质不锈钢
产品说明:
南方CHM 轻型卧式多级离心泵非自吸卧式多级离心泵,叶轮导叶采用不锈钢板冲压焊接制成,配加长轴电机,轴向入口和径向出口。
性能及优点:
结构紧凑、高效率、低噪音、适用于轻度腐蚀性液体、安装空间小、安装拆卸简单,便于维修
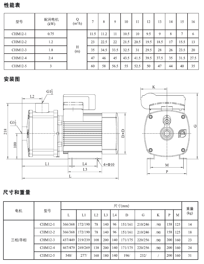
技术参数:
流量:0.4m3/h~28m3/h
扬程:6m~60m
功率:0.25kW~4.4kW
液体温度:-15℃~+105℃
频率:50Hz/60Hz














相关产品



